Z16型脹緊聯(lián)結套
產品分類: 脹緊套
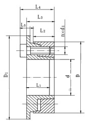
Z16型脹緊聯(lián)結套是一種軸與軸套之間的無鍵聯(lián)結裝置,此裝置可從外部對軸套施加夾緊力,使軸與軸套之間形成機械壓縮配合,而傳遞扭矩,脹套本身不傳遞任何力矩及負荷.
訂購熱線:15326245655
立即咨詢 Z16型脹緊聯(lián)結套是一種軸與軸套之間的無鍵聯(lián)結裝置,此裝置可從外部對軸套施加夾緊力,使軸與軸套之間形成機械壓縮配合,而傳遞扭矩,脹套本身不傳遞任何力矩及負荷.

A基本尺寸(mm)Dimensions |
額定負荷 |
內六角螺釘 |
脹套與軸結合面上的壓力pt |
脹套與輪載結合面上的壓力pt |
重量 |
|||||||||
d |
D |
L1 |
L2 |
L3 |
L4 |
L5 |
轉矩Mt |
軸向力Ft |
d1 |
n |
MA |
|||
20 |
47 |
20 |
17 |
23 |
29 |
3 |
0.28 |
28 |
M6 |
6 |
17 |
185 |
92 |
0.26 |
-
YLD型凸緣聯(lián)軸器
凸緣聯(lián)軸器(亦稱法蘭聯(lián)軸器)是利用螺栓聯(lián)接兩凸緣(法蘭) -
GL型滾子鏈聯(lián)軸器
曲面齒鏈輪聯(lián)軸器,鏈條聯(lián)軸器,GL型滾子鏈聯(lián)軸器,GL型滾子鏈連軸 -
LM(ML)系列梅花形彈性聯(lián)軸器
梅花形彈性聯(lián)軸器具有以下特點:花形彈性聯(lián)軸器結構簡單,徑向 -
GⅡCL型—鼓形齒式聯(lián)軸器
鼓形齒式聯(lián)軸器具有徑向、軸向和角向等軸線偏差補償能力,具
- 滄州天碩聯(lián)軸器有限公司
- 服務熱線:0317-8309520
- 電子郵件:oklzq@aliyun.com
- 公司地址:河北省泊頭市南倉街